|
|
|||||||
獲獎作品名稱:古今融合-鋼木結構仿古建筑
參賽學校:中國礦業大學
參賽學生:謝宇翔、徐陳、咸毅、涂佳、辛東昕、孟鑫、李孟航、吳祖瀾
在平面設計時,主要遵循優化空間利用率,滿足多功能性能需求的思想;在立面設計時,我們注重鋼木材料的搭配,并將傳統建筑元素融入建筑設計,特別是在維護結構中,我們采用輕鋼龍骨外掛墻板,以及采用仿古鋁合金門窗;而對于建筑節能設計,我們采用了綠色環保材料并最大化自然采光率。從而兼顧了結構的功能性,建筑的美觀性和節能環保的概念。
相較于傳統的磚木組合結構,我們采用的鋼木組合結構具有以下的顯著優勢:第一,減少了木材的用量,降低建造成本;第二,建筑多采用裝配式構件,縮短了施工周期;第三,構件經過防腐防銹處理,能夠使結構耐久性得到顯著提高;第四,所采用的建筑材料均可回收利用,綠色環保和可持續性的特色突出。
我們的方案主要包含以下三個方面的創新,首先是關于結構體系的創新,我們采用鋼木組合結構代替傳統的磚木組合結構,提升了結構性能,降低了工程造價。其次,是關于材料和構造方面的創新,通過應用塑木,鋁制瓦片等環保材料和裝配式構造節點,有效提升施工效率。最后,是施工技術方面的創新,通過采用BIM軟件對施工全過程進行精細化模擬,極大地提升了施工的精度,方便進行科學的施工組織。
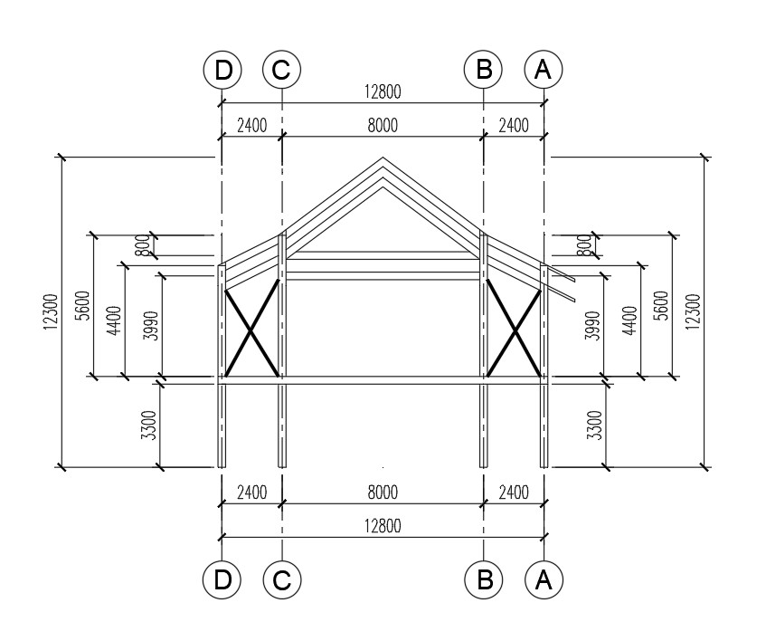
建筑為兩層輕鋼結構,長寬高分別為31.8,12.8,12.3m。
首先我們基于最簡單的框架結構,對結構方案進行設計。由于建筑設計和結構功能已經確定,在制定方案時,僅將次梁的布置方向,以及二層陽臺是否懸挑作為變量,組合得到四個方案。通過計算,在滿足結構安全性的前提下,方案三的用鋼量最低。
因此,我們以方案三為基礎,試圖通過增加柱間支撐的方式提高結構的抗側剛度,以減小梁和柱的截面尺寸,從而達到更輕的結構設計。這里通過支撐布置的不同,同樣形成四個方案。
通過計算,方案一的用鋼量最小。因此,框架支撐結構中方案一可以作為最優設計方案。
